特点与应用:
国际标准Profibus-DP协议
多圈最大30位,可拆卸的模块化总线适配器,地址任意设定,更方便连接
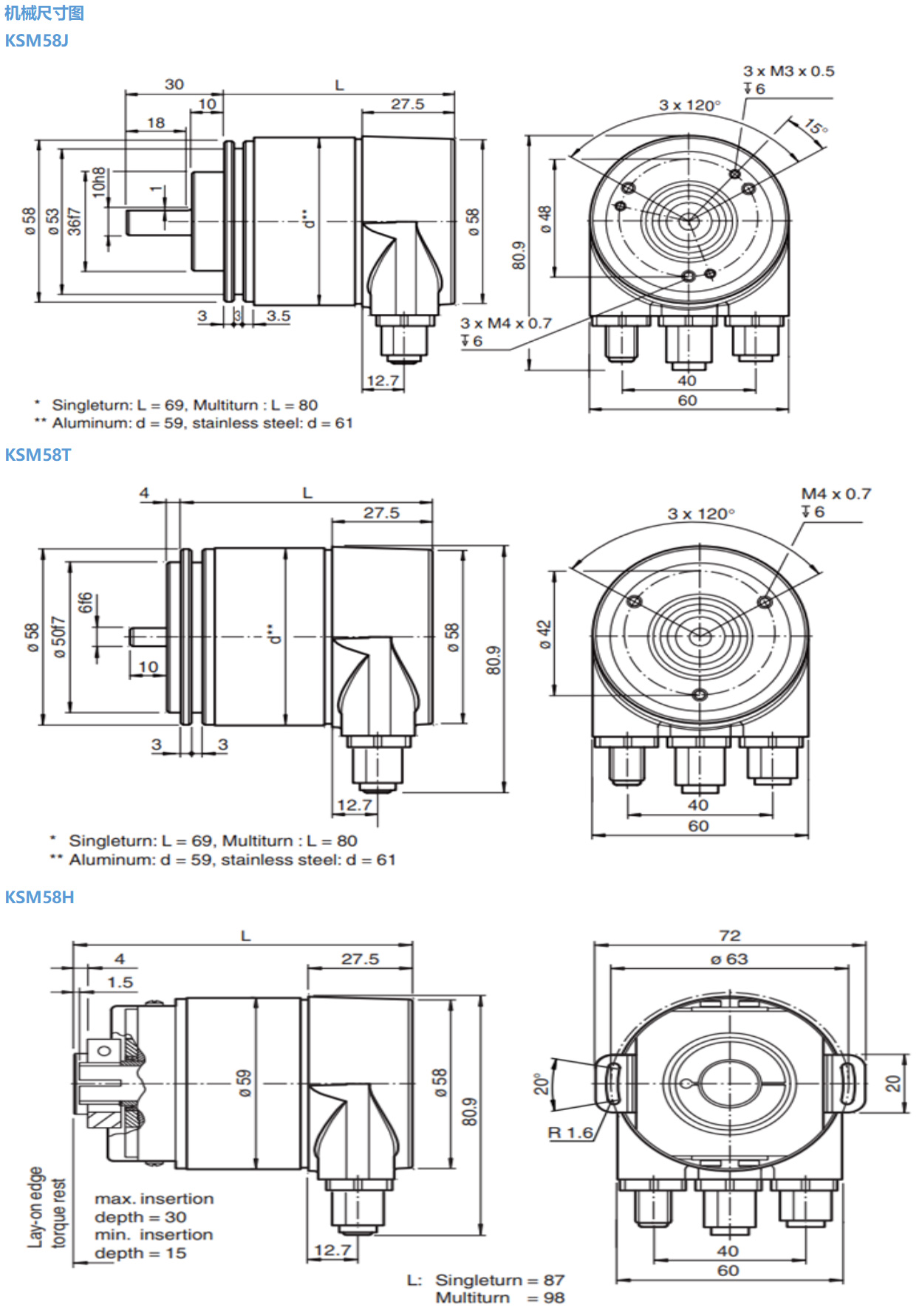
欧系标准安装尺寸,轴型安装或盲孔型安装,端子接线更方便安装
防护等级最高达IP68,工作温度可达-40°C...+85°C,可完美应用与长时间水下工作
具有安全锁式轴承设计,可防止大尺寸优质轴承组在运行和安装期间,由于轴向载荷较大而造成不对心。
可选择不锈钢防爆型重载编码器,具有EX II 2 G Ex ib IIB T4 Gb 欧盟防爆等级认证 ,为石油化工以及防爆设备保驾护航。
|
产品系列 |
KSM58J |
KSM58T |
KSM58H |
|
尺寸(外壳) |
Ø 58mm |
||
|
特性 |
轴型带夹紧法兰 |
轴型带同步法兰 |
抱紧环式盲孔型 |
|
主轴尺寸 |
轴型Ø6、8,10,12,14,15mm |
轴型Ø6、8、10mm |
盲孔型Ø6、8,10,12,14,15mm |
|
|
|||
|
输出信号 |
国际标准Profibus-DP协议 |
||
|
电源电压 |
10....30VDC(反极性保护,过压保护) |
||
|
单圈分辨率 |
标准13位8192,最大16位65536 |
||
|
圈数 |
4096圈 |
||
|
编码 |
二进制码 |
||
|
重复精度 |
±2BIT |
||
|
消耗电流 |
<50mA(24V电源) 空载 |
||
|
可编程参数 |
每圈对应值可调,软件限位开关,旋转方向,预设值,速率输出,速率时基,波特率 |
||
|
最大转速 |
6000r/min |
||
|
主轴负载 |
径向110N,轴向40N |
||
|
防护等级 |
IP65或IP66 |
||
|
启动力矩 |
≤3Ncm |
||
|
工作温度 |
-40°C....85°C(可定制工作温度-40°C....85°C) |
||
|
储存温度 |
-40°C....100°C |
||
|
抗冲击 |
1000m/s2, 6ms(100g) |
||
|
抗振动 |
20g |
||
|
连接方式 |
三孔适配器端子接线 |
||
|
出线方式 |
径向侧出 |
||
可编程参数
Profibus-DP接口支持CLASS1和CLAS2功能。 除此之外, GSD文件支持更多特性, 如软件限位开关。 另外, 以下参数可直接通过Profibus-DP网络编程, 无需任何其他装置。
|
计数方向 |
在操作参数时,编码序列可编程。参数决定输出编码增加或减少的计数方向 |
|
每转脉冲 |
这一参数用于编辑期望的每转步数。可在1到4096间选择。 |
|
总分辨率 |
这一参数用于编辑期望的完全测量长度的测量单元数量。值不可超过编码器的总物理分辨率。 |
|
预置值 |
期望的位置值,应达到轴的某个物理位置。位置值由参数预设设置成为期望的处理值。 |
|
速率 |
这一辅助软件可额外传送旋转速率。在处理值后以二进制代码,16位给出。 可选择四种不同的单位: 步/10ms, 每100ms,每1000ms和每分转数。 |
|
软件限位开关功能 |
可设置两个软件限位开关。如果这些值超出或降低,输出字中的一位将被设置。 |
|
在线参数化 |
设备试运转阶段有特殊模式,能够在编码器传输数据时改变参数。为持续操作,另一种模式能够保护参数不受意外变化的影响。 |
|
带连接帽配置
终端电阻集成安装于连接帽内,如果编码器连接于总线末端或起始端,必须开通。 ![]() 第1~(n-1)个装置 第n个装置 连接数据线和电源
电源只能连接一次(无论使用哪种夹具)。如果终端电阻断开,输出总线是不连接的。
GSD文件用于安装编码器。 GSD文件安装光盘和详细用户手册可从BOTEEM定购或下载。
连接帽背面具有两个LED, 可显示装置状态。 在安装和设定编码器时很有帮助。
|
接口 安装 旋转编码器连接两或三根电缆, 根据电源集成于总线电缆还是单独连接而定。如果供电电源集成于总线电缆, 其中的电缆密封套可通过一个插头安装。 电缆密封套适合直径5.5至9mm的电缆。
Profibus-DP装置地址设置由连接帽中用户界面友好的旋转开关完成。 允许地址在1至99之间, 仅允许使用一次。 安装时卸下两个螺帽即可打开连接帽。 |
订货型号代码:
1 2 3 4 5 6 7 8 9
|
绝对值编码器 |
KSM58J - |
XXX |
XXX |
XX
12 13 14 16 |
-XXX
|
X
0 S V W H |
- X
R |
XX |
- XX
EX |
|
1、规格系列 KSM58J KSM58T KSM58H |
B12 |
||||||||
|
2、输出信号 |
|||||||||
|
DP Profibus-DP输出 DP |
|||||||||
|
3、转动圈数 B12 12bit(标准4096圈) |
|||||||||
|
4、每圈分辨率 12 12 bit(4096分辨率)标准产品 13 13 bit(8192分辨率) 14 14 bit(16384分辨率) 16 16 bit(65536分辨率) |
|||||||||
|
5、机械安装尺寸 详情请看SASM58多圈绝对值编码器机械尺寸图订货代码 |
|||||||||
|
6、防护等级、外壳材质
0 防护等级IP65,铝合金外壳 S 防护等级IP68,铝合金外壳(可长时间水下工作) V 防护等级IP66,不锈钢重载外壳 W 防护等级IP68,不锈钢重载外壳(可长时间水下工作) H 防护等级IP66,铝合金外壳(-40°C军工级低温标准) |
|||||||||
|
7、出线方式
R 径向侧出 |
|||||||||
|
8、连接形式 |
|
||||||||
|
H3P 三孔连接帽 |
H3P |
||||||||
|
9、EX防爆型 |
|||||||||
|
EX 防爆型编码器EX II 2G Ex ib IIB T4 Gb |
|||||||||









